I picked up this transmitter while visiting relative in Palm Springs, California. I was looking at Craigs List and saw an ad for a number of interesting tube ham equipment for sale. By the time I was able to make an appointment to look at what was advertised, there were only a few items not already sold. But this clean Morrow 565 transmitter from the late 1950s was still available.

Removing the shell housing and inspecting it, someone had replaced several caps and labeled some of the components. But everything looked very clean inside. Morrow Radio Mfg Co. was in business for only four years, but produced high quality equipment, mostly aimed at the mobile ham market. Construction and quality workmanship was evident
Since this model was meant for mobile use, it typically used a 12VDC vibrator power supply, so the first challenge was to build a 120VAC supply. The transmitter requires a 200ma B+ supply between 450-600VDC, a 275VDC supply, a -75VDC bias supply, a 6.3VAC @ 6A filament supply and a 6VDC @ 500ma relay supply. My challenge was to come up with a circuit that would meet those requirements. The schematic is below:

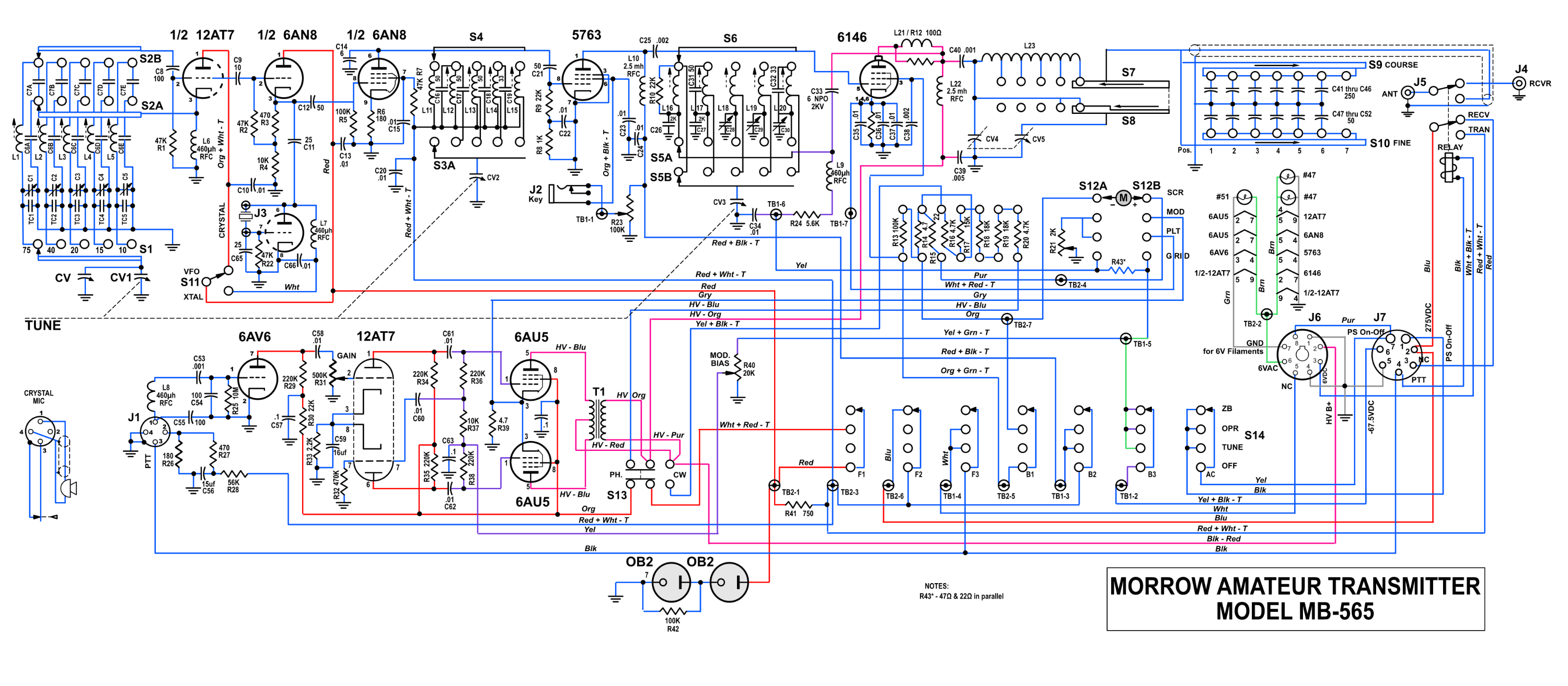
As with most of my projects, I chose to redraw the schematic. Doing so helps me become familiar with the circuit and sometimes it even leads to some level understanding. The schematic in the manual had some unusual icons for the rotary switches. I did not try to replace them with the icons I am more familiar with. That would have made the task of redrawing exponentially more difficult.
